Welcome to Sintec Optronics

        

         New Products             AOM Driver: N21xxx-yDM
 

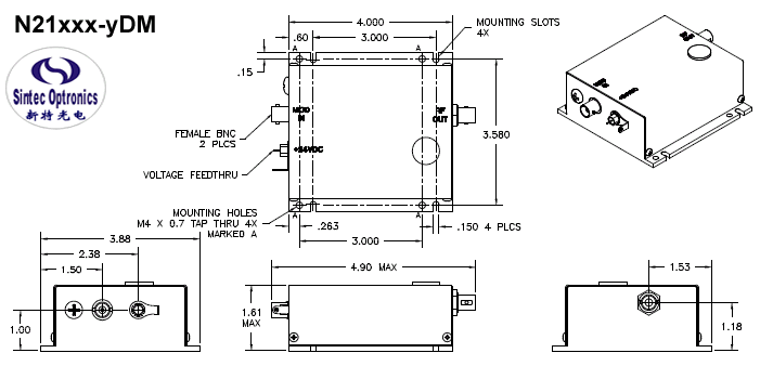
The N21xxx-yDM OEM Module Is A RF Driver With Digital Modulation Input And max. 2 Watt Output Into A 50 Ohm Load. The model number is described as follows:

 

xxx = a fixed frequency of between 27 and 300 MHz crystal controlled.

y = 0.4, 1, or 2 Watts output
D
= Digital Modulation
M
= OEM Module
 

Parameter

Specification

Output Frequency(xxx)

27 to 300 MHz + 0.01% Quartz Stabilized. Factory set.

Spurious Levels

-50 dBc Maximum

Harmonic Distortion

-15 dBc Maximum

Digital Input

TTL Levels (TTL HIGH = Full RF Power; TTL LOW = Minimum RF Power)

Extinction Ratio

50 dB Minimum

RF Rise

20 ns Maximum

PRF

10 to 90 %

Fall Time

20 ns Maximum

PRF

90 to 10 %

RF Output Power (y)

0.4, 1 or 2 Watts Nominal, Adjustable

Output Impedance

50 Ohms Nominal

Supply Voltage

+ 24 VDC + 0.5 Volt

Supply Current

1 Amp Maximum

MAXIMUM RATINGS

 

Supply Voltage

+ 28 Volts

Power Output

No DC Feedback Allowed

Case Temperature

+ 550C. The Driver Must Be Attached to an Adequate Heatsink.

CONNECTORS & MECHANICAL

 

RF Output Connector

BNC Female

Modulation Input Connector

BNC Female

Power Supply Connections

Vcc: Solder Post;  Return: Ground Lug

Physical Size

4.8" L x 1.61" H x 3.87" W

 
 
  AOMs and Drivers     N21xxx-yAM   N31xxx-yADM     A35xxx    AOM

Sintec Optronics Pte Ltd

10 Bukit Batok Crescent #07-02 The Spire Singapore 658079

Tel: +65 63167112 Fax: +65 63167113 Whatsapp: +65 91904616  Wechat: C518018

E-mail: sales@sintec.sg sales@SintecOptronics.com

URL: http://www.sintec.sghttp://www.SintecOptronics.com  https://www.facebook.com/sintecoptronics

For more and updated information, please go to our New Websites.