Welcome to Sintec Optronics

        

         New Products             Scan Lenses (f-theta Lenses) for YAG Lasers

 

Lenses used in combination with XY galvanometer scanner are called �-theta lenses, plane field objectives or simple scan lenses. �-theta lenses are used in various applications from industrial material processing, drilling, welding of synthetic material and cutting in addition to medical and biotechnology (confocal microscopy, ophthalmology) to science and research. The design and the quality of the optical components are playing a decisive role.

 

A standard lenses focus the laser beam on a spherical plain in contrast to an ideal flat or plane field. The use of �-theta lenses provides a plane focusing surface and almost constant spot size over the entire XY image plane or scan field. The position of the spot on the image plane is directly proportional to the scan angle.

 

The scan length specifications in this catalogue are based on mirror spacings of typical scan heads. For other scan systems the parameter �aperture stop� defines the distance of the geometrical center between the mirrors to the mechanical edge of the lens housing.

 

Telecentric �-theta lenses focus the laser beam so it is almost perpendicular (within 1 degree) to the work surface over the entire scan field. This ensures the spot is round even in the corners of the scan field and if holes or channels are machined, they are perpendicular to the work surface.

 

Color corrected �-Theta lenses are designed to accommodate multiple wavelengths. Normally each wavelength would focus to a different point on the work surface. In a color corrected lens the focal point for each wavelength coincide. This is achieved by schlechtging an ideal combination of different glass types for the various lens elements in the lens. Color corrected �-theta lens are primarily used for simultaneously viewing the work surface through the scan lens with a camera while laser processing. Another common application for color corrected scan lenses are for use in confocal scan microscopes which require a broad range of visible wavelengths.

 

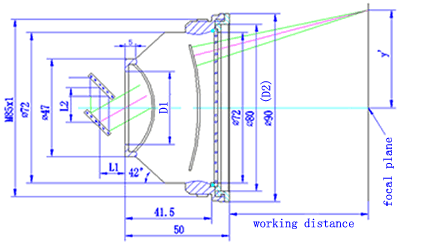
scanlens8.gif (6150 字节)

Description of part Number: STY-xxxx-yyy-zzz-A

STY---    STY series YAG laser f-theta lenses

xxxx--      laser wavelength, 1064 means 1064nm, 10.6 means 10.6um.

yyy----    mark field, yyy x yyy mm

zzz----     effective focal length in mm

A------    others

Scan lens

Three-element lens

 

(1) 1064nm Scan Lenses

 

STY Series f-theta Lens

Model

F.L.

mm

WD

mm

Scan area

mm

Scan Angle

θmax

E.P.

mm

Spot

�m

D1

mm

D2

mm

Screw

Protective glass dia.

mm

STY-1064-35-63

63

58

Φ50/35x35

�22�

12

10

31

90

M85�1

75

STY-1064-50-80

80

91.6

Φ70/50�50

�22�

12

12

31

90

M85�1

75

STY-1064-55-80

80

83

Φ78/55�55

�25�

20

15

42

90

M85�1

80

STY-1064-62-100

100

107

Φ87/62�62

�25�

12

14

33

90

M85�1

75

STY-1064-70-100-B

100

107

Φ100/70�70

�28�

16

10

40

90

M85�1

80

STY-1064-85-130

130

145

Φ120/85�85

�25�

12

14

35

90

M85�1

75

STY-1064-102-150

150

165

Φ144/102�102

�28�

12

18

36

90

M85x1

75

STY-1064-110-160

160

180

Φ155/110�110

�28�

12

18

36

90

M85�1

75

STY-1064-110-160-B

160

180

Φ155/110�110

�28

16

18

40

90

M85�1

80

STY-1064-110-160-C

160

180

Φ155/110�110

�28

20

18

52

120

M85�1

113

STY-1064-117-170

170

191

Φ165/117�117

�28�

16

18

38

90

M85�1

80

STY-1064-130-188

188

212

Φ185/130�130

�28�

12

18

36

90

M85�1

75

STY-1064-145-210-B

210

225.8

Φ205/145�145

�28�

16

18

36

90

M85�1

80

STY-1064-153-220

220

259

153x153

�28�

12

18

36

90

M85�1

75

STY-1064-175-254

254

277.7

Φ245/1751�75

�28�

15

20

36

90

M85�1

75

STY-1064-175-254-B

254

274

Φ245/175�175

�28�

20

20

52

120

M85�1

113

STY-1064-205-290

290

327

Φ290/205�205

�28�

16

20

38

90

M85�1

80

STY-1064-230-330

330

363

Φ330/230�230

�28�

16

20

38

90

M85�1

80

STY-1064-230-330-B

330

398

Φ330/230�230

�28�

15

20

38

90

M85�1

75

STY-1064-255-370

370

430

Φ360/255�255

�28�

20

20

52

120

M85�1

113

STY-1064-255-380

380

420

Φ360/255�255

�28�

15

20

38

90

M85�1

75

STY-1064-286-420

420

456

Φ405/286�286

�28�

20

20

52

120

M85�1

113

STY-1064-300-430

430

477

Φ425/300�300

�28�

20

20

52

120

M85�1

113

STY-1064-300-430-B

430

495

Φ425/300�300

�28�

20

20

60

120

M85�1

113

STY-1064-360-525

525

606

Φ510/360�360

�28�

20

30

52

120

M85�1

113

STY-1064-400-580

580

657

Φ566/400�400

�28�

20

25

72

125

M85�1

118

STY-1064-420-590

590

650

Φ595/420�420

�28�

20

25

52

140

M95�1

133.5

STY-1064-430-610

610

670

Φ610/430�430

�28�

20

25

52

140

M95�1

133.5

STY-1064-450-650

650

736

Φ636/450�450

�28�

20

30

52

120

M85�1

113

F.L.=focal length; EP=entrance pupil;  AD=aperture distance; FD=flange distance; WD=working distance.
spot: it is theoretical optical limit.

 

STS Series Standard �-Theta Lenses at 1064nm (Optical Glass)

Part No.

FL

(mm)

SA

(��)

SL

(mm)

SAR

(mm x mm)

MI

(mm)

AS

(mm)

Length (mm)

MO

(mm)

MT

WD

(mm)

PW

STS-0063/126

63.03

23.80

51.44

36x36

8.00

15.00

35.63

59.20

M39x1 or

M55x1

74.54

Yes

STS-0101/126

100.12

22.00

76.88

55x55

10.00

18.00

40.00

90.00

M85x1

111.98

Yes

STS-0162/126

159.97

24.80

141.76

100x100

8.00

15.00

25.22

59.20

M39x1 or M55x1

179.93

Yes

STS-0163/126

162.41

26.80

153.84

107x107

12.00

22.00

43.30

89.00

M85x1

181.08

Yes

STS-3163/126

163.00

31.80

181.13

120x120

15.00

22.88

51.99

103.00

M85x1

186.61

Yes

STS-2163/126

163.00

27.80

158.07

106x106

20.00

29.00

66.00

128.00

M85x1

192.66

Yes

STS-0191/126

191.87

26.80

180.35

125x125

20.00

40.00

57.85

128.00

3.875�x32

220.88

Yes

STS-0202/126

201.58

19.00

132.62

90x90

30.00

43.00

84.10

132.00

M85x1

243.05

Yes

STS-3254/126

253.94

19.20

170.72

115x115

30.00

48.94

75.50

130.00

M85x1

297.18

Yes

STS-4255/126

254.00

27.20

242.88

168x168

20.00

38.00

70.06

130.00

M85x1

292.70

Yes

STS-1254/126

254.38

25.60

226.91

160x160

12.00

23.50

55.30

109.00

M85x1

306.26

Yes

STS-0300/126

300.02

25.00

261.46

175x175

20.00

35.00

78.00

128.00

M85x1

353.09

Yes

STS-0350/126

346.26

25.20

304.96

212x212

12.00

22.48

52.40

95.00

M85x1

412.17

Yes

STS-0351/126

354.10

19.60

245.87

160x160

30.00

53.50

48.50

128.00

3.875�x32

396.25

Yes

STS-0411/126

409.86

21.00

304.06

210x210

20.00

44.00

56.80

105.00

M85x1

472.77

Yes

STS-0420/126

419.98

23.60

353.53

242x242

30.00

59.45

52.00

136.00-

M132x1

480.14

---

STS-0508/126

566.34

23.20

467.21

325x325

20.00

45.00

56.90

127.00

M85x1

647.59

---

STS-0635/126

653.81

22.60

528.66

370x370

25.00

75.00

48.50

133.00

M110x1

728.99

---

STS-0825/126

815.01

27.20

804.50

560x560

24.00

43.24

58.00

130.00

M102x1

888.52

Yes

Remark: FL=focal length; SA=scan angle; SL=scan length; SAR=scan area; MI=max. input beam diameter; AS=aperture stop; MO=max. outside diameter; MT=mounting thread; WD=working distance; PW=protective windows.

 

STS Series Standard �-Theta Lenses at 1064nm (Fused Silica)

Part No.

FL

(mm)

SA

(��)

SL

(mm)

SAR

(mm x mm)

MI

(mm)

AS

(mm)

Length (mm)

MO

(mm)

MT

WD

(mm)

PW

STS-2175/126

163.35

25.00

137.11

94x94

20.00

30.50

110.24

150.00

M85x1

205.47

Yes

STS-3260/126

277.11

21.40

205.60

142x142

15.00

31.00

61.00

105.00

M85x1

346.07

Yes

STS-1330/126

340.00

24.40

306.60

215x215

20.00

38.50

174.60

163.00

M85x1

204.04

Yes

STS-1500/126

499.97

27.40

493.71

340x340

20.00

30.50

68.00

148.00

M85x1

571.26

Yes

Remark: FL=focal length; SA=scan angle; SAR=scan area; MI=max. input beam diameter; MO=max. outside diameter; MT=mounting thread; WD=working distance; PW=protective windows.

 

STS Series Low Absorption �-Theta Lenses at 1064nm (Fused Silica)

Part No.

FL

(mm)

SA

(��)

SL

(mm)

SAR

(mm x mm)

MI

(mm)

AS

(mm)

Length (mm)

MO

(mm)

MT

WD

(mm)

PW

STS-2175/328

163.35

25.00

137.11

94x94

20.00

30.50

110.24

150.00

M85x1

205.47

Yes

STS-3260/328

277.11

21.40

205.60

142x142

15.00

31.00

61.00

105.00

M85x1

346.07

Yes

STS-1330/328

340.00

24.40

306.60

215x215

20.00

38.50

174.60

163.00

M85x1

204.04

Yes

STS-1500/328

499.97

27.40

493.71

340x340

20.00

30.50

68.00

148.00

M85x1

571.26

Yes

 

STS Series �-Theta Lenses at 1064nm for Short Pulse Lasers

Part No.

FL

(mm)

SA

(��)

SL

(mm)

SAR

(mm x mm)

MI

(mm)

AS

(mm)

Length (mm)

MO

(mm)

MT

WD

(mm)

PW

STS-7163

163.03

24.40

138.06

95x95

10.00

27.00

44.00

89.00

M85x1

197.07

Yes

 

STS Series Telecentric �-Theta Lenses at 1064nm (Optical Glass)

Part No.

FL

(mm)

SA

(��)

SL

(mm)

SAR

(mm x mm)

MI

(mm)

AS

(mm)

Length (mm)

MO

(mm)

MT

WD

(mm)

PW

STS-0058/126

56.55

11.80

23.22

16x16

10.00

26.44

40.68

90.00

M85x1

58.43

Yes

STS-0055/126

59.69

13.60

27.94

19x19

14.00

20.10

58.00

90.00

M85x1

66.55

---

STS-0080/126

79.89

21.50

58.54

39x39

25.00

27.16

84.14

107.00

M85x1

79.45

Yes

STS-6125/126

99.25

17.60

59.86

40x40

25.00

37.36

80.40

116.00

M85x1

114.89

Yes

STS-5100/126

107.74

26.80

97.48

69x69

12.00

34.87

85.50

128.00

M85x1

137.86

Yes

STS-5365/126

162.90

19.00

106.07

73x73

20.00

61.50

114.96

154.00

M85x1

194.83

Yes

STS-5165/126

163.57

19.00

106.91

75x75

10.00

58.30

128.50

136.00

M85x1

193.54

Yes

STS-0220/126

206.71

28.40

197.38

139x139

14.00

46.00

160.00

281.00

TK267.0

289.49

---

STS-0221/126

206.71

28.40

197.38

139x139

14.00

46.00

176.68

281.00

TK267.0

274.53

Yes

 

STS Series Standard Telecentric �-Theta Lenses at 1064nm (Fused Silica)

Part No.

FL

(mm)

SA

(��)

SL

(mm)

SAR

(mm x mm)

MI

(mm)

AS

(mm)

Length (mm)

MO

(mm)

MT

WD

(mm)

PW

STS-4031/126

32.78

8.00

9.11

6x6

10.00

16.50

39.85

90.00

M85x1

28.67

----

STS-0082/126

82.00

10.00

28.35

20x20

15.00

33.00

103.14

93.80

M85x1

84.59

Yes

Remark: FL=focal length; SA=scan angle; SAR=scan area; MI=max. input beam diameter; MO=max. outside diameter; MT=mounting thread; WD=working distance; PW=protective windows.

 

STS Series Low Absorption Telecentric �-Theta Lenses at 1064nm (Fused Silica)

Part No.

FL

(mm)

SA

(��)

SL

(mm)

SAR

(mm x mm)

MI

(mm)

AS

(mm)

Length (mm)

MO

(mm)

MT

WD

(mm)

PW

STS-4031/328

32.78

8.00

9.11

6x6

10.00

16.50

39.85

90.00

M85x1

28.67

----

STS-0082/328

82.00

10.00

28.35

20x20

15.00

33.00

103.14

93.80

M85x1

84.59

Yes

Remark: FL=focal length; SA=scan angle; SAR=scan area; MI=max. input beam diameter; MO=max. outside diameter; MT=mounting thread; WD=working distance; PW=protective windows.

 

STQ Series Standard & Telecentric �-Theta Lenses at 1030-1080nm (Fused Silica)
Part No. FL EFL FFL SA SAR Spot M1/M2 Screw WD PW Max Telecentric Error (�)
(mm) (mm) (mm) (��) (mm�) (um) (mm) (mm)
STQ-4401-551-000-21 70 70.4 129 �12.4 30 x 30 10 17/12 M85x1  87.5 Yes 2.1
STQ-4401-561-000-21 100 105.4 218 �12.2 43 x 43 15 17/28 M85x1  137 Yes 2.1
STQ-4401-513-000-21 167 167 312 �14.8 84 x 84 17 26/28 M85x1  215.4 Yes 4.4
STQ-4401-499-000-26 255 255 364 �19.2 170 x 170 50 13/30 M85x1  317.4 Yes 
STQ-4401-546-000-26 340 340.2 515 �17.7 205 x 205 51 17/29 M85x1  441.6  Yes -
STQ-4401-508-000-26 420 420.7 559 �17.3 254 x 254 60 26/24 M85x1  510.9 Yes -

FL=Focal length; EFL=Effective focal length; FF=Flange focal length; SA=Scan angle; SAR=Scan area; WD=working distance. spot: it is theoretical optical limit.

 

STQ Series Standard & Telecentric �-Theta Lenses at 1064nm (Optical Glass)

Part No. FL EFL FFL SA SAR Spot M1/M2 Screw WD PW Max Telecentric Error (�)
(mm) (mm) (mm) (��) (mm�) (um) (mm) (mm)
STQ-4401-302-000-21 100 99.7 106 �17.7 62 x 62 16 16/12 M85x1  97.7 Yes -
STQ-4401-464-000-21 100 100.1 195 �15.6 54 x 54 13 20/32 M85x1  126 Yes 2.1
STQ-4401-301-000-21 160 160.3 184 �17.7 99 x 99 26 16/12 M85x1  176.2 Yes -
STQ-4401-261-000-21 163 163.1 219 �20.2 115 x 115 32 13/24 M85x1  185.9 Yes  -
STQ-4401-288-000-20 254 254.4 345 �17.7 157 x 157 25 26/23 M85x1  296.2 Yes
STQ-4401-360-000-21 330 331.4 443 �18.7 217 x 217 40 18/24 M85x1  387.6 Yes  -
STQ-4401-350-000-21 420 420.5 549 �19.8 291 x 291 55 30/16 M85x1  494.2 Yes  

FL=Focal length; EFL=Effective focal length; FF=Flange focal length; SA=Scan angle; SAR=Scan area; WD=working distance. spot: it is theoretical optical limit.

 

(2) 532nm Scan Lenses

 

STY Series f-theta Lenses at 532nm

Model

F.L.

mm

WD

mm

Scan area

mm

Scan Angle

θmax

E.P.

mm

Spot

�m

D1

mm

D2

mm

Screw

STY-532-35-63

63

58

Φ50/35x35

�22�

12

10

31

90

M85�1

STY-532-50-80

80

91.6

Φ70/50�50

�22�

12

12

31

90

M85�1

STY-532-62-100

100

107

Φ87/62�62

�25�

12

14

33

90

M85�1

STY-532-74-120

120

132

Φ105/74�74

�25�

12

14

35

90

M85�1

STY-532-110-160

160

180

Φ155/110�110

�28�

16

15

36

90

M85�1

F.L.=focal length; EP=entrance pupil;  AD=aperture distance; FD=flange distance; WD=working distance.
spot: it is theoretical optical limit.

 

STS Series Standard �-Theta Lenses at  532nm (Fused Silica)

part number

standard, 532nm

part number

low absorption

515-545nm

focal length

mm

scan angle

��

scan length

mm

scan area

mm�

max. beam-�, mm

aperture stop

mm

Length

mm

max. outside-�, mm

WD

mm

STS-3100/121

STS-3100/292

112.8

26.6

105.1

74x74

5.0

19.2

49.0

89.0

151.5

STS-3260/121

STS-3260/292

259.9

25.8

231.0

162x162

10.0

26.0

61.0

105.0

325.4

STS-1330/121

STS-1330/292

347.9

24.0

303.5

212x212

14.0

36.0

108.4

122.0

279.0

mounting thread is M85x1.

 

STS Series Standard �-Theta Lenses at  532nm (Optical Glass)

part number

standard, 532nm

focal length

mm

scan angle

��

scan length

mm

scan area

mm

max. beam-�, mm

aperture stop

mm

Length

mm

max. outside-�, mm

mounting thread

WD

mm

STS-0063/121

62.9

19.6

42.5

30x30

7.0

15.0

35.6

59.2

M39/M55

76.0

STS-0101/121

89.7

25.4

79.4

58x58

6.0

18.0

40.0

90.0

M85x1

97.0

STS-0163/121

148.0

21.4

111.4

77x77

7.0

20.0

43.3

89.0

M85x1

162.7

STS-2163/121

148.3

31.2

160.8

114x114

10.0

29.0

66.0

128.0

M85x1

173.4

STS-0162/121

162.1

23.0

132.8

100x100

7.0

17.4

25.2

59.2

M39/M55

183.4

STS-3164/121

162.8

30.0

177.7

120x120

10.0

28.0

46.6

106.0

M85x1

186.5

STS-1254/121

233.5

26.0

210.9

148x148

10.0

24.7

55.3

109.0

M85x1

282.0

STS-0300/121

278.7

29.0

281.1

200x200

14.0

29.0

78.0

128.0

M85x1

326.4

STS-0508/121

520.5

25.2

466.9

330x330

16.0

43.0

56.9

127.0

M85x1

594.7

STS-0825/121

768.6

28.0

781.0

552x552

16.0

33.0

58.0

130.0

M102x1

839.2

 

STS Series Telecentric �-Theta Lenses at  532nm (Fused Silica)

part number

standard, 532nm

part number

low absorption

515-545nm

focal length

mm

scan angle

��

scan length

mm

scan area

mm

max. beam-�, mm

aperture stop

mm

Length

mm

max. outside-�, mm

WD

mm

STS-4031/121

STS-4031/292

32.2

4.0

8.9

6x6

10.0

16.5

39.8

90.0

28.4

STS-3046/121

STS-3046/292

48.1

7.6

9.9

7x7

15.0

26.0

64.9

90.0

60.2

STS-3050/121

STS-3050/292

58.5

14.8

29.9

20x20

6.0

21.0

39.8

87.0

79.3

STS-4010/121

STS-4010/292

100.0

14.0

49.5

35x35

10.0

30.0

78.7

106.0

130.7

STS-3161/121*

STS-3161/292*

163.9

21.0

126

90x90

10.0

26.6

98.0

122.0

219.0

* Maximum telecentric error of 4.9�     mounting thread is M85x1

 

STS Series Telecentric �-Theta Lenses at  532nm (Optical Glass)

part number

focal length

mm

scan angle

��

scan length

mm

scan area

mm

max. beam-�, mm

aperture stop

mm

Length

mm

max. outside-�, mm

mounting thread

WD

mm

STS-0058/121

53.1

11.8

21.8

15x15

6.0

25.5

40.7

90.0

M85X1

52.6

STS-0055/121

59.3

14.0

28.5

20x20

10.0

16.9

58.0

90.0

M85X1

73.2

STS-0080/121

77.0

26.6

68.7

49x49

14.0

22.8

83.8

107.0

M85X1

74.2

STS-1094/121

88.0

17.4

52.5

36x36

16.0

33.8

66.3

83.0

70.00

107.3

STS-5100/121

100.1

29.2

97.6

69x69

10.0

30.0

85.5

128.0

M85X1

127.7

STS-5165/121

162.7

19.6

109.6

75x75

10.0

53.9

128.5

136.0

M85X1

194.6

STS-0141/121

171.0

11.9

70.7

50x50

10.0

98.4

70.6

108.0

M85X1

198.4

STS-0200/121

198.5

15.6

107.2

75x75

20.0

111.6

93.9

142.0

TK133.0

231.9

STS-0220/121

201.5

29.2

197.1

139x139

10.0

46.0

160.0

265.0

TK267.0

280.5

STS-0221/121

201.5

29.2

197.1

139x139

10.0

46.0

176.7

281.0

TK267.0

265.9

 

STQ Series Standard & Telecentric �-Theta Lenses at 532nm (Optical Glass)

Part No. FL EFL FFL SA SAR Spot M1/M2 MT WD PW Max Telecentric Error (�)
(mm) (mm) (mm) (��) (mm�) (um) (mm) (mm)
STQ-4401-304-000-21 100 94 98.7 �17.7 58 x 58 15 16/12 M85x1  90.8 Yes -
STQ-4401-461-000-21 100 100.2 196 �15.6 54 x 54 7 20/32 M85x1  126.6 Yes 2.3
STQ-4401-305-000-21 160 159.5 184 �17.7 98 x 98 16 16/12 M85x1  176.1 Yes -
STQ-4401-289-000-20 250 250.2 337 �17.7 154 x 154 12 22/24 M85x1  288.5 Yes -
STQ-4401-485-000-21 330 329.9 444 �17.7 204 x 204 23 18/24 M85x1  389 Yes -
STQ-4401-489-000-21 420 419.8 549 �18.7 275 x 275 27 17/28 M85x1  494.6 Yes -
FL=Focal length; EFL=Effective focal length; FFL=Flange focal length; SA=Scan angle; SAR=Scan area; WD=working distance. spot: it is theoretical optical limit.
 
STQ Series Standard & Telecentric �-Theta Lenses at 515-540nm (Fused Silica)
Part No. FL EFL FFL SA SAR Spot M1/M2 MT WD PW Max Telecentric Error (�)
(mm) (mm) (mm) (��) (mm�) (um) (mm) (mm)
STQ-4401-547-000-21 100 104.7 220 �12.2 43 x 43 9 17/28 M85x1  138.5 Yes 2.2.
STQ-4401-517-000-21 167 166.1 313 �15.4 86 x 86 12 17/33 M85x1  215.5 Yes 4
STQ-4401-496-000-21 255 255 365 �19.3 170 x 170 25 13/30 M85x1  318.1 Yes -
FL=Focal length; EFL=Effective focal length; FFL=Flange focal length; SA=Scan angle; SAR=Scan area; WD=working distance. spot: it is theoretical optical limit.
 
STY Series f-theta Lneses at 532nm

Part No.

EFL (mm)

Scan Angle (��)

Scan Length (mm)

Scan Field (mm)

Ent. pupil (mm)

Average spot size (um)

Length (mm)

WD (mm)

Screw Thread

STY-532-70-100-WT

100

25�

87.0

70x70

14.0

12.0

50.0

100.0

M85x1

STY-532-90-120-WT

120

25�

102.0

90x90

8.0

10.8

38.85

134.0

M85x1

STY-532-100-162-WT

162

23�

132.9

100x100

7.0

-

25.2

183.4

M39/M55

STY-532-115-165-WT

165

20�

163.0

115x115

10.0

18.5

48.0

186.0

M85x1

STY-532-148-233-WT

234

26�

211.0

148x148

10.0

-

55.3

282.0

M85x1

STY-532-150-254-WT

254

25�

220.0

150x150

10.0

21.5

51.0

280.0

M85x1

STY-532-225-410-WT

410

25�

366.0

225x225

15.0

15.0

48.94

443.7

M85x1

STY-532-350-508-WT

508

25�

500.0

350x350

16.0

15.0

57.0

581.0

M85x1

STY-532-510-740-WT

740

20�

721.0

510x510

16.0

18.5

65.0

896.5

M85x1

STY-532-550-768-WT

768

28�

710.0

550x550

16.0

24.0

58.0

839.0

M102x1

 

(3) 355nm Scan Lenses

 

STY Series f-theta Lneses at 355nm

Part No.

EFL (mm)

SA (��)

Scan Length (mm)

Scan Field (mm)

Ent. pupil (mm)

Spot (um)

Length (mm)

WD (mm)

STY-355-60-100-WT

100.0

25�

85.0

60x60

6.0

15.5

56.0

130.5

STY-355-76-108-WT

108.3

28.4�

107.7

76x76

6.0

-

49.0

146.0

STY-355-109-174-WT

173.9

25�

153.2

109x109

6.0

-

36.8

218.4

STY-355-112-160-WT

160.0

20�

158.0

112x112

7.0

13.5

50.0

177.79

STY-355-112-160Q-WT

160.0

29�

160.0

112x112

6.0

18

50.36

206.6

STY-355-155-250-WT

250.3

25.4�

219.2

155x155

10.0

-

61.0

309.6

STY-355-160-254-WT

254.0

25�

220.0

160x160

12.0

22.0

55.0

311.0

STY-355-130-269-WT

269.3

19.0�

183.0

130x130

4.0

-

47.0

276.1

STY-355-180-290-WT

290.0

25.5�

255.0

180x180

20.0

40.0

65.0

332.5

STY-355-250-410-WT

410.0

25.�

354.0

250x250

10.0

7.0

46.8

488.2

STY-355-320-580-WT

580.0

22�

455.0

320x320

10.0

27.0

38.0

668.0

STY-355-350-580-WT

580.0

25�

495.0

350x350

15.0

24.0

46.0

689.0

STY-355-500-810-WT

810.0

28�

850.0

500x500

24.0

55.0

57.0

880.0

STY-355-440-831-WT

831.1

21.4�

624.5

440x440

14.0

-

62.5

983.2

STY-355-470-912-WT

919.2

20.8�

678.0

470x470

14.0

-

40.0

1032.0

 

STS Series f-theta Lenses at 355nm

Model

F.L.

mm

WD

mm

Scan area

mm (round/square)

Scan Angle

maxi

E.P.

mm

Spot

�m

D1

mm

D2

mm

Screw

STY-355-70-100

100

122

Φ100/70�70

�25�

8

12

33

90

M85�1

STY-355-110-160

160

185

Φ155/110�110

�25�

8

15

33

90

M85�1

STY-355-110-160-B

160

187

Φ155/110�110

�25�

8

15

33

90

M85�1

 

STS Series Standard �-Theta Lenses at  355nm

Part No.

FL

(mm)

SA

(��)

SL

(mm)

SAR

(mm x mm)

MI

(mm)

AS

(mm)

Length (mm)

MO

(mm)

MT

WD

(mm)

PW

STS-3100/075

108.34

28.40

107.70

76x76

6.00

17.14

49.00

89

M85x1

145.95

Yes

STS-3160/075

173.90

25.00

153.15

109x109

6.00

21.10

36.75

89

M85x1

218.40

Yes

STS-3260/075

250.26

25.40

219.17

155x155

10.00

28.05

61.00

105

M85x1

309.62

Yes

STS-0257/075

269.29

19.00

183.00

130x130

4.00

13.50

47.00

900

M85x1

276.08

---

STS-1330/075

328.18

25.20

303.39

212x212

14.00

36.00

108.4

1220

M85x1

260.21

Yes

STS-0580/075

580.80

22.00

455.60

320x320

10.00

39.00

37.96

890

M85x1

671.66

Yes

STS-0815/075

831.05

21.40

624.49

440x440

14.00

25.00

62.50

900

M85x1

983.23

Yes

STS-0920/075

919.21

20.80

678.02

470x470

14.00

40.97

40.00

89

M85x1

1032.00

Yes

Remark: FL=focal length; SA=scan angle; SL=scan length; SAR=scan area; MI=max. input beam diameter; AS=aperture stop; MO=max. outside diameter; MT=mounting thread; WD=working distance; PW=protective windows.

 

STS Series Telecentric �-Theta Lenses at 355nm

Part No.

FL

(mm)

SA

(��)

SL

(mm)

SAR

(mm x mm)

MI

(mm)

AS

(mm)

Length (mm)

MO

(mm)

MT

WD

(mm)

PW

STS-4031/075

32.04

8.00

8.90

6x6

10.00

16.50

39.85

90

M85x1

28.99

----

STS-3050/075

56.01

15.20

29.35

20x20

6.00

19.50

39.79

87

M85x1

75.89

Yes

STS-4110/075

109.38

24.20

89.79

63x63

6.00

33.07

86.00

121

M85x1

154.57

Yes

STS-4160/075

167.22

15.60

90.05

64x64

10.00

37.20

133.00

121

M85x1

264.36

Yes

STS-5256/075

256.82

14.60

124.46

86x86

6.00

24.00

173.50

138

M85x1

145.16

----

 

STQ Series Standard & Telecentric �-Theta Lenses at 340-360nm (Fused Silica)

Part No. FL EFL FFL SA SAR Spot M1/M2 MT WD PW Max Telecentric Error (�)
(mm) (mm) (mm) (��) (mm x mm) (um) (mm) (mm)
STQ-4401-576-000-21 70 73.9 144 �11.3 28 x 28 5 13/19 M85x1  92.5 Yes 1
STQ-4401-509-000-21 100 104.1 215 �12.7 46 x 46 7 13/29 M85x1  136.7 Yes 0.5
STQ-4401-399-000-21 160 161 208 �17.6 99 x 99 15 12/16 M85x1  197.4 Yes -
STQ-4401-511-000-21 167 166.9 374 �11. 3 65 x 65 13 13/48 M85x1  255 Yes 0.5
STQ-4401-481-000-21 255 254.7 366 �19.3 170 x 170 17 13/30 M85x1  318.1 Yes -

FL=Focal length; EFL=Effective focal length; FFL=Flange focal length; SA=Scan angle; SAR=Scan area; WD=working distance. spot: it is theoretical optical limit.

 

(4) Wavelength 266nm

 

STY Series f-theta Lenses at 266nm

Part No.

EFL

(mm)

Scan Angle (��)

Scan Length (mm)

Scan Field (mm)

Ent. pupil (mm)

Average spot Size (um)

Length (mm)

Working Distance (mm)

STY-266-70-100-WT

100.0

28�

95.0

70x70

5.0

8.0

49.0

137.0

STY-266-110-160-WT

160.0

28�

160.0

110x110

5.0

10.0

36.7

200.0

STY-266-90-254-WT

254.0

18�

156.0

90x90

4.0

16.0

47.0

25.0

 

STS Series Standard �-Theta Lenses at 266nm

Part No.

FL

(mm)

SA

(��)

SL

(mm)

SAR

(mm x mm)

MI

(mm)

AS

(mm)

Length (mm)

MO

(mm)

MT

WD

(mm)

PW

STS-3100/199

101.49

29.20

100.68

73x73

5.00

17.14

49.00

89.00

M85x1

136.52

Yes

STS-3160/199

162.31

25.00

142.66

105x105

5.00

21.10

36.75

89.00

M85x1

204.47

Yes

STS-0256/199

249.50

24.20

218.90

148x148

4.00

13.50

47.00

90.00

M85x1

254.00

----

Remark: FL=focal length; SA=scan angle; SL=scan length; SAR=scan area; MI=max. input beam diameter; AS=aperture stop; MO=max. outside diameter; MT=mounting thread; WD=working distance; PW=protective windows.

 

STS Series Telecentric �-Theta Lenses at 266nm

Part No.

FL

(mm)

SA

(��)

SL

(mm)

SAR

(mm x mm)

MI

(mm)

AS

(mm)

Length (mm)

MO

(mm)

MT

WD

(mm)

PW

STS-4030/199

30.10

14.60

15.00

10x10

6.00

12.72

55.54

47

M85x1

28.90

Yes

STS-3050/199

53.46

16.00

29.40

20x20

6.00

17.80

39.79

87

M85x1

71.70

----

STS-4105/199

99.30

21.00

72.08

50x50

5.00

26.90

86.20

121

M85x1

142.17

Yes

STS-4162/199

159.78

16.20

90.27

64x64

10.00

32.30

133.00

121

M85x1

253.67

Yes

 

F-theta Lenses for CO2 Lasers  F-theta Lenses at Other Wavelengths   Scan Mirrors     Optical Scanners (galvanometers) 

Reference: Basics of Scan Lens

Sintec Optronics Pte Ltd

10 Bukit Batok Crescent #07-02 The Spire Singapore 658079

Tel: +65 63167112 Fax: +65 63167113 Whatsapp: +65 91904616  Wechat: C518018

E-mail: sales@sintec.sg sales@SintecOptronics.com

URL: http://www.sintec.sghttp://www.SintecOptronics.com  https://www.facebook.com/sintecoptronics

For more and updated information, please go to our New Websites.